12 Volt Stromstoßrelais mit Selbsthaltefunktion
Der Stromstoßschalter wird elektromagnetisch angesteuert und ändert bei einem elektrischen Impuls den Schaltzustand. Mit einem Taster verbunden, ermöglicht der Schalter das dauerhafte Einschalten und Ausschalten von Verbrauchern wie Anbaugeräten oder Arbeitsscheinwerfern.
Verbauen können Sie den Stromstoßschalter nicht nur an Kreuzhebeln zur Steuerung eines Frontladers, sondern auch an Konsolen oder z.B. Bedienpulten mit Tastern zur Steuerung vom Kratzboden am Ladewagen. Das Halterelais ist vielseitig nutzbar, setzen Sie es da ein, wo Sie eine Funktion mit einem Tastendruck dauerhaft schalten möchten. Sie haben die Möglichkeit, parallel mehrere Taster gleichzeitig mit der Selbsthaltefunktion zu schalten.
In Traktoren sind oft nur Taster verbaut, dabei müssen Sie die Taster gedrückt halten um die Funktionen aktiv zu halten. Mit dem Stromstoßrelais genügt ein kurzer Druck auf den Schalter um die Funktion dauerhaft zu aktivieren. Betätigen Sie den Taster erneut, wird die Funktion deaktiviert.
Halterelais Anwendungsbeispiele:
- Eine hydraulisch betriebene Kehrmaschine am Frontlader über einen längeren Zeitraum zuschalten.
- Hydraulische Funktionen, wie das Lüftergebläse einer Sämaschine, über Taster am Bedienpult in der Kabine schalten.
- Arbeitsscheinwerfer von der Fahrerkabine aus, durch einen einfachen Druck auf einen Taster, zuschalten.
Welchen Vorteil hat ein Halterelais?
Schalter können auf Grund ihrer Baugröße nicht überall platziert werden. Taster sind wesentlich kompakter und lassen sich leichter in der Kabine verbauen. Möchten Sie eine dauerhaft geschaltete Funktion mit einem Taster auslösen, können Sie einfach ein Stromstoßrelais verbauen. Geeignet ist das Halterelais für einen Strom von bis zu 10 Ampere.
Wie wird das Stromstoßrelais verbaut?
Platzieren Sie das Stromstoßrelais an einer günstigen Position in der Kabine. Ist dies nicht möglich, sollten Sie immer darauf achten, dass das Halterelais vor Feuchtigkeit geschützt ist.
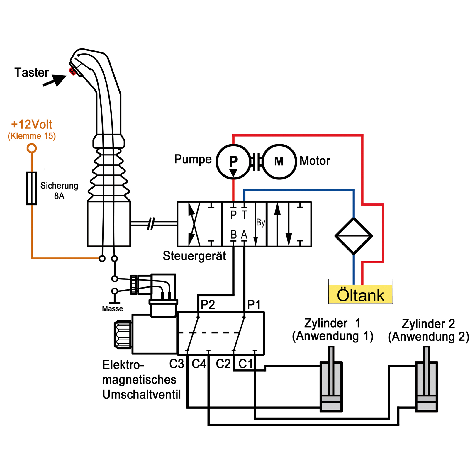
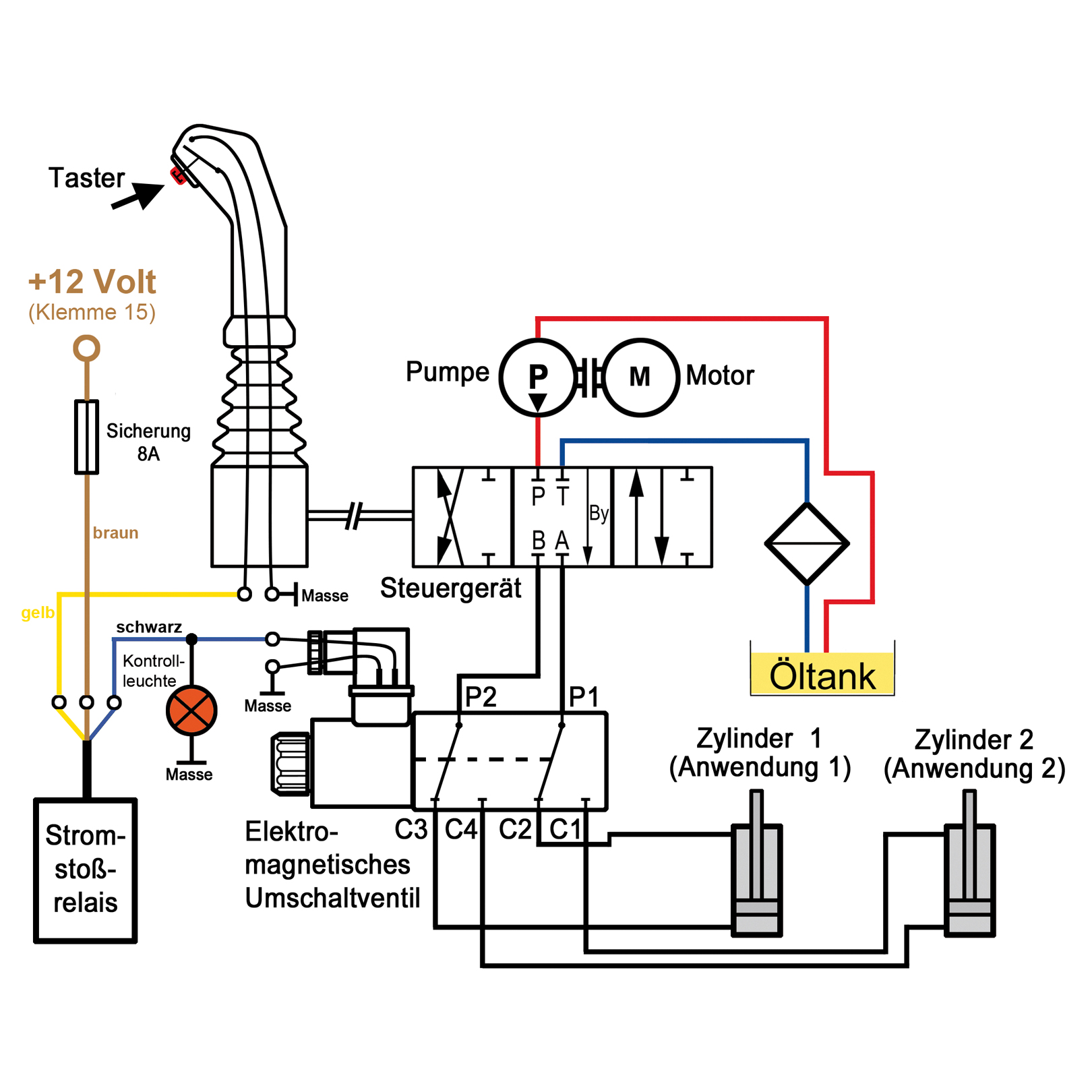
Folgend ein Anschlussbeispiel zur Verwendung des Stromstoßrelais in Kombination mit einem Kreuzhebel mit Taster und einem 6-Wege Umschaltventil. Mit dem Halterrelais können Sie ein Umschaltventil dauerhaft über ein Kreuzhebelsteuergerät mit integrierten Tastern schalten. Dabei müssen Sie den Taster nicht gedrückt halten. Durch erneutes drücken des Tasters, schaltet das Stromstoßrelais das Umschaltventil wieder aus.
Verbinden Sie, wie im Anschlussbeispiel 2 skizziert, das Halterelais mit dem Stromkreislauf des Tasters und Umschaltventils.

Sicherer Umgang mit dem Stromstoßrelais
Zum Schutz vor Überhitzung sollten Sie das Relais bei Nichtgebrauch in den Stromlosenzustand Schalten. Verwenden Sie zur Sicherheit eine Kontrollleuchte. Verbinden Sie die Schalter ausschließlich über die Klemme 15 (geschaltetes Plus). Falls Sie vergessen sollten den Schalter zu deaktivieren, vermeiden Sie so das vollständige Entladen der Batterie.
Hersteller / EU-verantwortliche Person:
FK Söhnchen GmbH & Co. KG
Daimlerstr. 4
58553 Halver
info@fk-soehnchen.de